首页
公司概况
公司简介
组织架构
公司荣誉
主业布局
菜市分布
基地建设
城市配送
冷链仓储
新闻中心
公司新闻
通知公告
党建动态
党建工作
清风益民
社会责任
企业文化
企业活动
员工之家
人力资源
招贤纳士
联系我们
联系方式
首页
公司概况
公司简介
组织架构
公司荣誉
主业布局
菜市分布
基地建设
城市配送
冷链仓储
新闻中心
公司新闻
通知公告
党建动态
党建工作
清风益民
社会责任
企业文化
企业活动
员工之家
人力资源
招贤纳士
联系我们
联系方式
通知公告
益民·美好生活有保障
公司新闻
通知公告
首页
/ 新闻中心
/ 通知公告
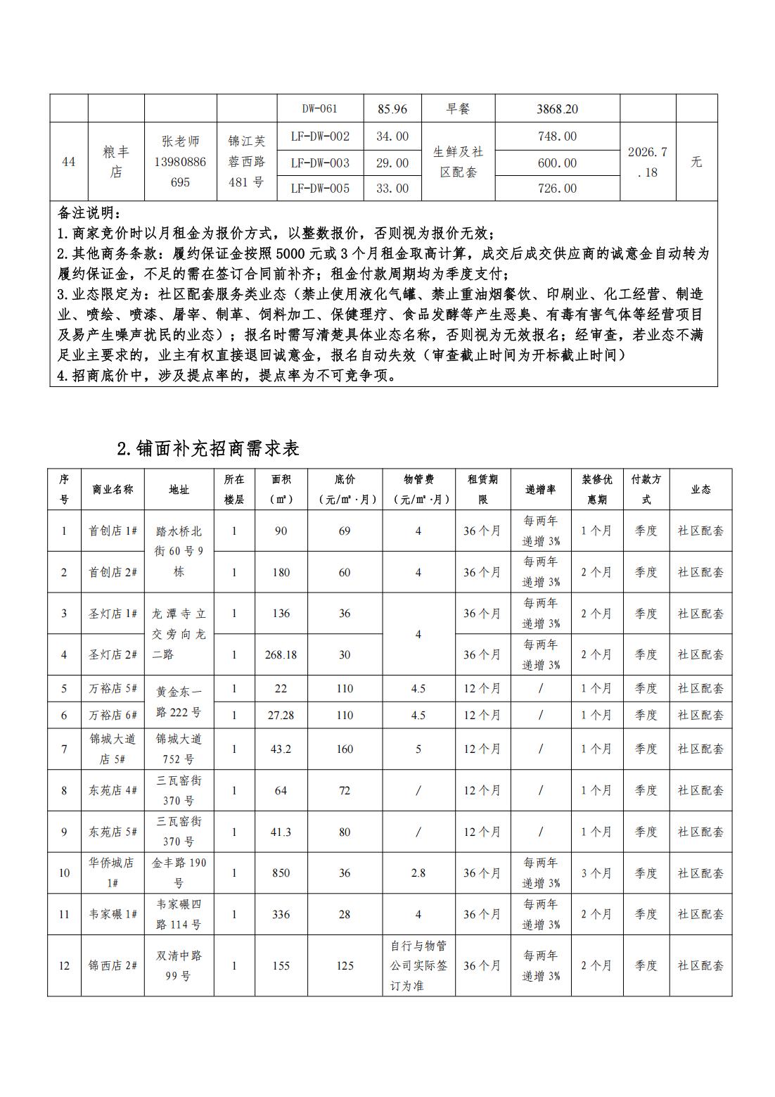
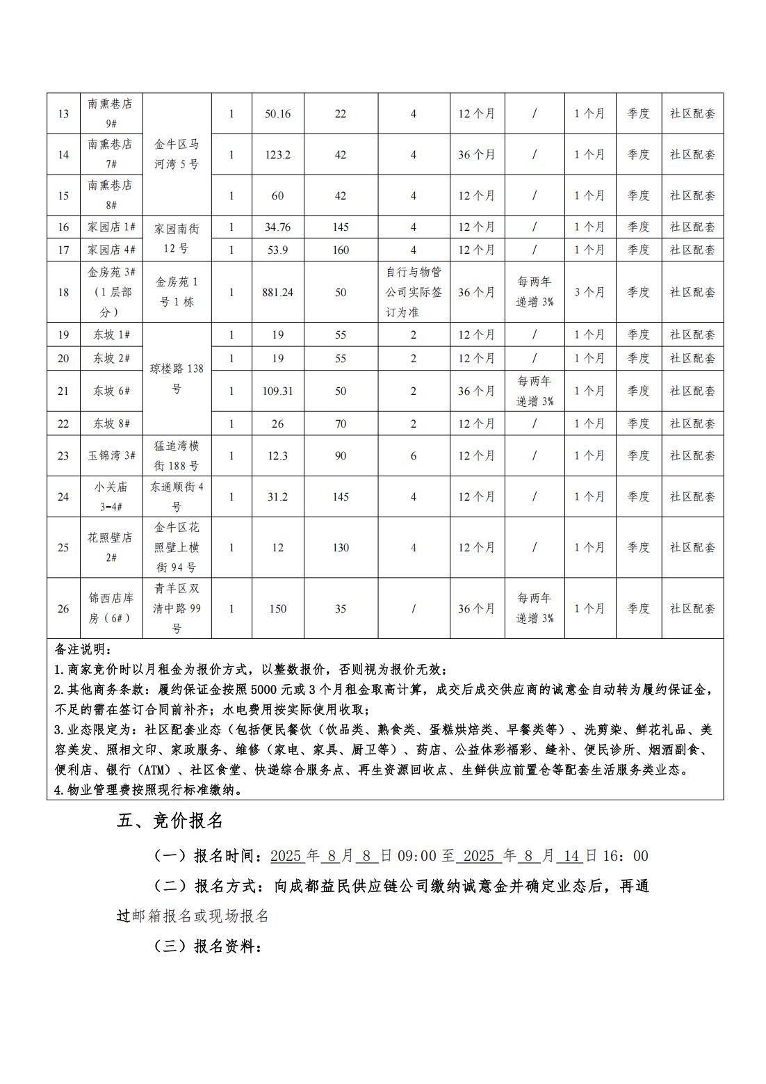
益民菜市补充招商公告20250807
时间:2025年08月07日
上一篇:成都益民供应链有限公司2025年网络舆情信息支持服务项目候选人公示
下一篇:2025 年网络舆情信息支持服务项目(第二次)询价中标结果公示
最新动态
2026年01月30日
成都益民供应链有限公司员工餐食服务项目评审结果公示
2026年01月30日
成都菜篮子保供中心暨国际农产品及食品综合服务项目消 防维保服务比选公告
2026年01月30日
成都菜篮子保供中心暨国际农产品及食品综合服务项目冷库工程设施设备及安装 质量检测服务中选候选人公示
2026年01月30日
成都蓉益港供应链管理有限公司 2026-2028年度劳务派遣服务单位选聘项目 中选候选人公示
2026年01月29日
成都益民供应链有限公司2026年公众责任险购买服务项目
2026年01月27日
成都益民供应链有限公司选聘2026年消防维保服务单位项目中选结果公示
2026年01月26日
成都菜篮子保供中心暨国际农产品及食品综合 服务项目冷库工程设施设备及安装监理服务 中选结果公示
2026年01月26日
成都菜篮子保供中心暨国际农产品及食品综合服务项目竣工结算审核服务 中标结果公示
2026年01月22日
成都益民生鲜供应链有限公司2026-2027年度物流承运商准入项目流标公告
2026年01月22日
成都益民供应链有限公司选聘2026年消防维保服务单位项目评审结果公示